|
|
|
|
|
|
|
 |
|
|
|
|
|
|
|
|
|
|
|
|
|
|
|
|
|
|
|
|
| 單相 |
110V/220V |
| 三相 |
220V/380V |
|
|
|
|
|
|
|
|
|
|
|
|
|
|
|
|
|
|
|
|
|
|
|
|
 |
|
|
|
|
|
|
|
|
|
|
|
|
|
|
|
|
|
|
|
|
|
|
|
|
|
|
|
|
|
|
|
|
|
|
|
|
|
|
|
機種
|
功率(W)
|
電壓(V)
|
頻率(Hz)
|
電流(A)
|
起動轉矩(Kg.cm)
|
額定轉矩(Kg.cm)
|
額定轉速(rpm)
|
|
電容(μF)
|
|
5IK40A-A
|
40
|
1φ110
|
50
|
0.65
|
2.4
|
2.9
|
1300
|
連續
|
10
|
|
5IK40GN-A
|
|
5IK40A-C
|
40
|
1φ220
|
50
|
0.33
|
2.4
|
2.9
|
1300
|
連續
|
2.5
|
|
5IK40GN-C
|
|
5IK40A-S
|
40
|
3φ220
|
50
|
0.29
|
6.6
|
2.8
|
1300
|
連續
|
-
|
|
5IK40GN-S
|
|
5IK40A-U
|
40
|
3φ380
|
50
|
0.18
|
6.6
|
2.8
|
1300
|
連續
|
-
|
|
5IK40GN-U
|
|
|
|
|
|
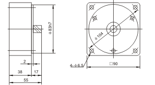
馬達
|
5IK40A-A(C,S,U) |
|
5IK40GN-A(C,S,U) |
|
5IK40RA-A(C,S,U) |
|
5IK40RGN-A(C,S,U) |
|
|
|
|
|
 |
|
|
|
|
|
(
)內爲5IK40RA-A(C)和5IK40RGN-A(C)調速型尺寸
注:齒軸尺寸:齒軸軸徑φ10.8,模數0.6,螺旋角30°,壓力角20°,軸伸17 |
|
|
|
|
|
|
|
|
|
|
|
|
|
|
|
|
|
|
|
|
|
|
|
|
|
|
|
|
|
|
|
|
|
|
|
| |
|
|
|
|
|
|
|
| |
|
|
|
|
|
|
|
| |
|
|
|
|
|
|
|
| |
|
|
|
|
|
|
|
| |
|
|
|
|
|
|
|
| |
|
|
|
|
|
|
|
| |
|
|
|
|
|
|
|
| |
|
|
 |
TOP |
|
|
|
|
|
|
|
|
|
|
|
|
|
|
|
|
|
|
| |
|
|
|
|
|
|
|